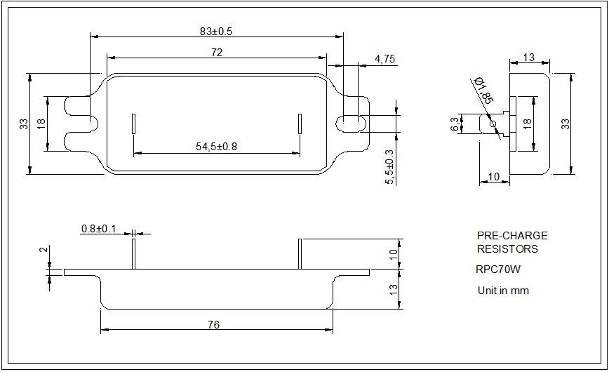
RPC2 series high power wire wound pre-charge resistor
Characteristics
1. Power rating can be up to 100W;
2. Resistance Resistance ranges from 10Ω to 200Ω;
3. The tolerance of resistance value can be up to ±1%;
4. Temperature coefficient of the resistor can be ±25ppm/℃
5. Short time overload can be up to 35 times the rated power;
6. The pre-charge voltage can be 1000VDC;
7. Dielectric strength can be up to 3000VAC;
8. The resistors have good heat dissipation function.
9. Standard M5 nut fixing method, reliable installation
10. Working environment temperature range -55~225℃

Special dimension of the resistor is availabe upon request
